Neue Artikel
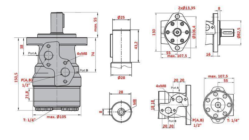
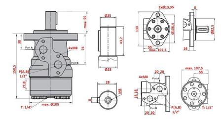
HYDRAULIK-ÖLMOTOR MR 125
| Technische Daten | |
| Lieferant: | Bulgarien |
| Rückgabe oder Umtausch: | 14 Tage |
| Garantie: | 6 Monate |
| Wellendurchmesser: | 25 mm |
| Ölfluss: | konstanter Durchfluss 60 L/min, intermittierend 75 L/min |
| Anschlussgewinde: | 1/2" |
| Temperaturbereich: | von -40 °C bis 140 °C |
| Drehmoment: | konstantes Drehmoment 30 daNm, intermittierend 34 daNm, max. 37 daNm |
| Drehzahl: | konstante Drehzahl 475 rpm, intermittierend 600 rpm |
| Druckverlust: | konstanter Druck 175 bar, intermittierend 200 bar, max. 225 bar |
| Eingangsdruck: | konstanter Druck 175 bar, intermittierend 200 bar, max. 225 bar |
| Leistung: | konstante Leistung 12,5 kW, intermittierend 14,5 kW |
| cm³/Umdrehung: | 125,7 |
| Gewicht: | 7,4 kg |
BESCHREIBUNG – HYDRAULIKMOTOREN MR
Hydraulikmotoren des Typs MR sind kompakt, robust und zuverlässig mit Orbitalkonstruktion. Aufgrund ihrer einfachen Bauweise und hohen Effizienz eignen sie sich für ein breites Anwendungsspektrum.
Sie zeichnen sich aus durch:
- hohes Drehvolumen bei niedrigen Drehzahlen,
- ruhigen und geräuscharmen Betrieb,
- lange Lebensdauer dank hochwertiger Materialien und Dichtungen,
- Möglichkeit des Betriebs in beiden Drehrichtungen,
- geringen Ölverbrauch im Verhältnis zur Ausgangsleistung.
Sie werden hauptsächlich in der Land-, Forst- und Baumaschinentechnik sowie in der Industrie eingesetzt, wo eine zuverlässige und effiziente Umwandlung von hydraulischer Energie in mechanische Bewegung erforderlich ist.

| L | L1 | |
| (mm) | (mm) | |
| MR 50 | 135,5 | 6,67 |
| MR 80 | 139,5 | 10,67 |
| MR 100 | 142 | 13,33 |
| MR 125 | 145,5 | 16,67 |
| MR 160 | 150 | 21,33 |
| MR 200 | 155,5 | 26,67 |
| MR 250 | 162 | 33,33 |
| MR 315 | 171,5 | 42,67 |
| MR 400 | 182 | 53,33 |












