Nuovi Prodotti
-20%
VERRICELLO IDRAULICO DWHI 16000 HD - 7257 KG
NOTA: ARTICOLO PIÙ GRANDE (possibile variazione nei costi di spedizione, in tal caso ti informeremo telefonicamente)
Codice articolo:
11915
OEM:
9990000036868
Vecchio prezzo IVA inclusa:
1.380,00 EUR
Aliquota fiscale
22 %
Sconto:
20 % ( 276,00 EUR )
Prezzo senza IVA:
1.131,15 EUR
Vecchio prezzo senza IVA:
1.104,00 EUR
Prezzo più basso in 30 giorni
1.380,00 EUR
Ref:
11
Il VERRICELLO IDRAULICO DWHI 16000 HD è un verricello molto resistente, con un motore potente, progettato per l'uso nelle condizioni più impegnative. Destinato a camion dei pompieri, veicoli fuoristrada 4×4, camion 4×4, ecc.
Forza di trazione:
– prima strato di cavo: 7257 kg
– ultimo strato di cavo: 4944 kg
Velocità di avvolgimento del cavo:
– prima strato di cavo: 4.2 m/min
– ultimo strato di cavo: 5.6 m/min

Fornitore:
Polonia
pressione dell'olio:
17,5 Mpa
Flusso d'olio:
60 l/min
Restituzione o cambio:
14 giorni
forza di trazione:
7257 kg
lunghezza della fune metallica:
31 m
alimentazione:
idraulico
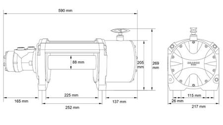
Dimensioni (d/l/h):
590 mm x 269 mm x 217 mm
dimensioni della distanza dei fori di montaggio:
252 mm x 115 mm
Peso del prodotto:
72 kg







