Nové položky
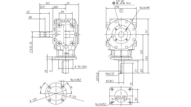
UHLOVÁ PREVODOVKA T-311J 1:3 (50HP-36,8kW)
Kód
100137
OEM
9990000024681
Sadzba dane
22 %
Cena bez DPH:
217,21 EUR
Cena s DPH
265,00 EUR
Ref:
21
Vrátenie alebo výmena:
14 dní
otáčanie reduktora:
vpravo
kód výrobcu:
9.311.874.20
Zaťaženie:
50 HP (36.8 kW)
výstupná hriadeľ:
hriadeľ 33 mm
typ reduktora:
T-311J (uhlový prevod)
mazivo:
olej SAE 90 1.2 litra musí byť pridaný do reduktora.
vstupná hriadeľ:
kardan (1”3/8 – 6 zubov)


.jpg)

.jpg)


