Produse Noi
VANĂ HIDRAULICĂ P81 AUTOMATICĂ PENTRU ÎMPĂRȚITOR DE BUCĂȚI DE LEGNĂ
| Informații tehnice | |
| Furnizor: | Bulgaria |
| Returnare sau schimb: | 14 zile |
| Garanție: | 6 luni |
| Debit nominal de ulei: | 80 l/min |
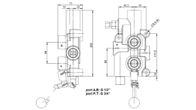
| Cursă axă: | ± 7,9 mm |
| Interval de temperatură de operare: | de la −40 °C până la +60 °C |
| Filet de conexiune: | Port P și T – 3/4", port A și B – 1/2" |
| Presiune maximă: | Port P – 250 bar, port T - 50 bar, port A și B – 300 bar |
| Supapă de siguranță: | reglată din fabrică la 150 bar |
Descriere
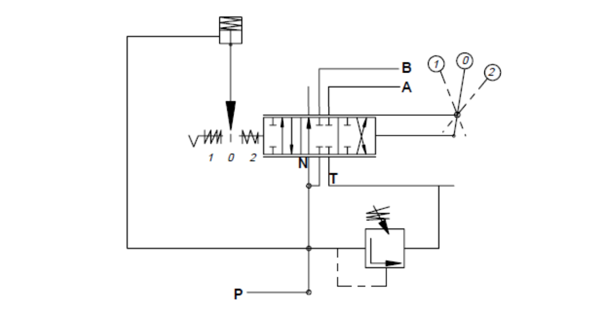
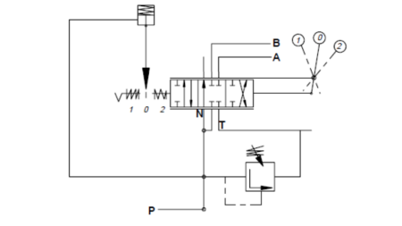
Supapa hidraulică P81 este proiectată pentru utilizare pe despicatori de lemne. Dispune de o funcționare cu revenire prin arc într-o singură direcție și un sistem de declanșare la presiune în direcția opusă, revenind automat maneta în poziția neutră. Supapa P81 include, de asemenea, o supapă de siguranță reglabilă manual.
Știftul de declanșare la presiune
Sistemul de declanșare la presiune permite eliberarea manetei și revenirea acesteia în poziția neutră. Când axul supapei este deplasat manual în poziția de declanșare la presiune, uleiul este dirijat către secțiunea „B”. Când presiunea în secțiunea „B” depășește valoarea setată, știftul de declanșare la presiune eliberează maneta de comandă și o readuce în poziția neutră. Setarea din fabrică pentru funcția de declanșare este 70 bar.
ATENȚIE: Dacă știftul de declanșare la presiune este reglat la o presiune prea mare, maneta nu se va întoarce în poziția neutră. Dacă presiunea este reglată prea mic, știftul de declanșare nu va menține maneta în poziția pregătită pentru declanșare.
Supapă de siguranță reglabilă – setarea standard din fabrică a supapei de siguranță este de 150 bar.
Maneta supapei poate fi orientată fie „în sus”, fie „în jos”, în funcție de poziția de montaj a mașinii. Acest lucru se realizează ușor prin rotirea manetei la 180°. Toate știfturile sunt fixate sigur cu șpine DIN 94.












