Produse Noi
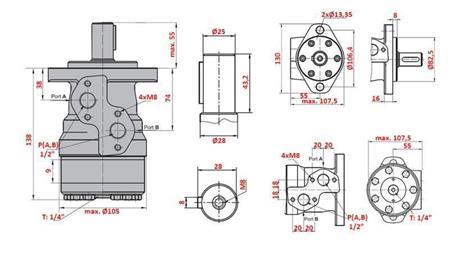
MOTOR HIDRAULIC MR 50
| Date tehnice | |
| Furnizor: | Bulgaria |
| Returnare sau schimb: | 14 zile |
| Garanție: | 6 luni |
| Diametrul arborelui: | 25 mm |
| Debit de ulei: | debit constant 40 L/min, intermitent 50 L/min |
| Filet de conexiune: | 1/2" |
| Interval de temperatură: | de la -40 °C la 140 °C |
| Cuplu: | cuplu constant 10 daNm, intermitent 13 daNm, max. 17 daNm |
| Turații: | turații constante 775 rpm, intermitent 970 rpm |
| Pierdere de presiune: | presiune constantă 140 bar, intermitent 175 bar, max. 225 bar |
| Presiune de intrare: | presiune constantă 175 bar, intermitent 200 bar, max. 225 bar |
| Putere: | putere constantă 7 kW, intermitent 8,5 kW |
| cm³/rotație: | 51,5 |
| Greutate: | 6,9 kg |
DESCRIERE – MOTOARE HIDRAULICE MR
Motoarele hidraulice de tip MR sunt compacte, robuste și fiabile, cu un design orbital. Datorită construcției lor simple și eficienței ridicate, sunt potrivite pentru o gamă largă de aplicații.
Se caracterizează prin:
- cilindree mare la turații reduse,
- funcționare lină și silențioasă,
- durată de viață lungă datorită materialelor și garniturilor de înaltă calitate,
- posibilitatea de funcționare în ambele sensuri de rotație,
- consum redus de ulei în raport cu puterea dezvoltată.
Sunt utilizate în principal la utilaje agricole, forestiere și de construcții, precum și în industrie, acolo unde este necesară o conversie fiabilă și eficientă a energiei hidraulice în mișcare mecanică.

| L | L1 | |
| (mm) | (mm) | |
| MR 50 | 135,5 | 6,67 |
| MR 80 | 139,5 | 10,67 |
| MR 100 | 142 | 13,33 |
| MR 125 | 145,5 | 16,67 |
| MR 160 | 150 | 21,33 |
| MR 200 | 155,5 | 26,67 |
| MR 250 | 162 | 33,33 |
| MR 315 | 171,5 | 42,67 |
| MR 400 | 182 | 53,33 |












