Nové položky
PROPORČNÝ RIADIACI VENTIL PRE PREDNÝ NAKLADAČ TRAKTORA - OPEN CENTER LVM92 EHP
| Technické informácie | |
|
Dodávateľ: |
Turecko |
|
Vrátenie alebo výmena: |
14 dní |
|
Záruka: |
6 mesiacov |
|
Typ: |
OPEN CENTER |
|
Prevádzkový tlak: |
250 bar |
|
Menovitý prietok: |
90 lit/min |
|
Závit pripojenia: |
1/2" |
|
Počet sekcií: |
2 |
Popis
LVM92-EHP je monoblokový ventil určený pre čelné nakladače traktorov, ponúkajúci vynikajúce proporcionálne prevádzkové vlastnosti a jednoduchú inštaláciu. Má prietok až 90 l/min a prevádzkové tlaky až do 250 bar.
Ventil poskytuje plne elektroproporcionálne ovládanie vrátane funkcie plávajúceho režimu, nezávisle od zaťaženia a prevádzkových podmienok.
Súprava obsahuje ventil, proporcionálny ovládací joystick a elektrické káblovanie.
Použitie

Pre správnu činnosť systému dôkladne dodržte všetky nasledujúce kroky:
- Vykonajte pripojenie podľa obrázku vyššie.
- Skontrolujte správne pripojenie hydraulického akumulátora.
- Skontrolujte, či vstupný tlak nepresahuje 250 bar.
- Zabezpečte, že menovitý prietok je 90 l/min.
- Skontrolujte, či sú pripojenia na portoch B1, A1, A2 a B2 správne zapojené.
- Zabezpečte správne pripojenie drenážnej (únikovej) línie.
- Skontrolujte, či sú línie T (nádrž) a P (tlak) správne pripojené a funkčné.

- Ak máte v hydraulickej línii dva ventily, pripojte výstup carry-over z prvého ventilu na tlakový vstup druhého ventilu.
- Ak sa používa len jeden ventil, pripojte výstup carry-over ventilu priamo do nádrže.


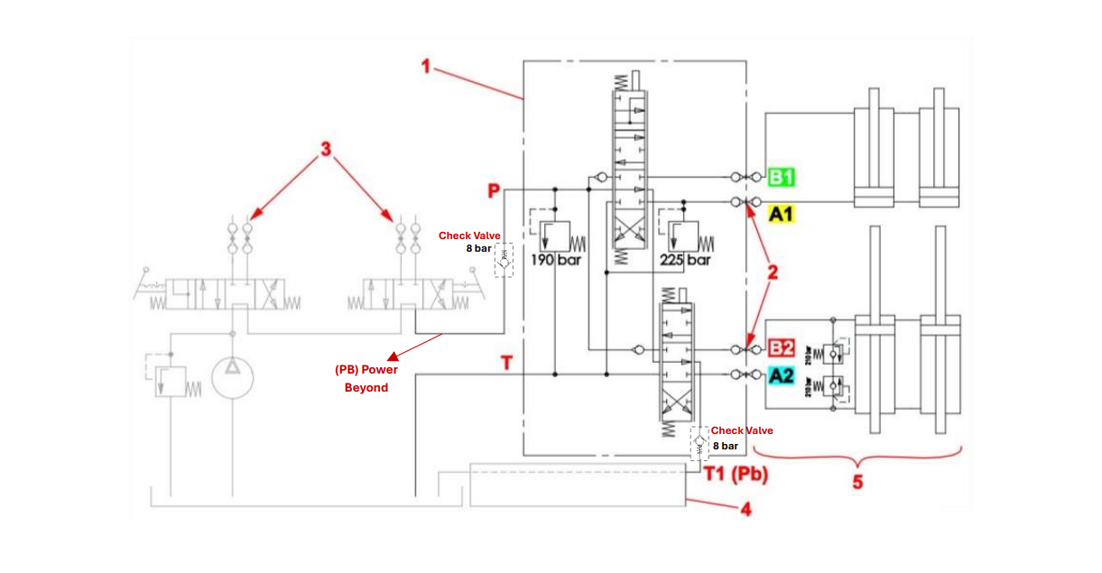
Schéma znázorňuje hydraulický systém OPEN CENTER:
1. Proporcionálny ventil (LVM92 EHP) na pravej strane rozhrania pre príslušenstvo.
2. Rozhranie pre čelný nakladač traktora.
3. Hydraulické ventily už nainštalované na traktore môžu byť použité pre iných odberateľov.
4. Iné ventily alebo pomocné ventily.
5. Čelný nakladač traktora.
Tri hydraulické línie (P, T1, T) spájajú proporcionálny ventil OPEN CENTER s hydraulickým systémom traktora:
- P – tlaková línia
- T – návratová línia (nádrž)
- T1 – tlakové prepojenie (Power Beyond – „PB“) + 8 bar pružinový spätný ventil

Pripojte ventil podľa obrázku vyššie:
- Uistite sa, že napätie systému je 12 V.
- Skontrolujte správne zapojenie napájacieho kábla.
- Systém musí obsahovať reťazový kábel a odpor 120 ohmov.
- Po pripojení joysticku sa uistite, že LED diódy ACAS svietia na zeleno.
- Skontrolujte, či sú všetky káble pevne a správne pripojené.

- MODRÉ tlačidlo: 6/2 smerový regulačný ventil (prídržné tlačidlo)
- ČERVENÉ tlačidlo: funkcia plávajúceho režimu (prepínacie tlačidlo)
- ZELENÉ tlačidlo: pomalý/rychlý režim (prepínacie tlačidlo)
Funkcia plávajúceho režimu: Posuňte joystick v smere B1 (spúšťanie). Zatiaľ čo je joystick v pozícii B1, stlačte tlačidlo FLOAT pre aktiváciu plávajúceho režimu. Upozornenie: Tento postup nevyužívajte, keď je nakladač zdvihnutý príliš vysoko.









