Nové produkty
PROPORCIONÁLNÍ ŘÍDICÍ VENTIL PRO PŘEDNÍ NAKLADAČ TRAKTORU - LOAD SENSING LVM92 EHP
| Technické informace | |
|
Dodavatel: |
Turecko |
|
Vrácení nebo výměna: |
14 dní |
|
Záruka: |
6 měsíců |
|
Typ: |
LOAD SENSING |
|
Provozní tlak: |
250 bar |
|
Jmenovitý průtok: |
90 lt/min |
|
Připojovací závit: |
1/2" |
|
Počet sekcí: |
2 |
Popis
LVM92-EHP je monoblokový ventil navržený pro čelní nakladače, který nabízí vynikající proporcionální provozní vlastnosti a snadnou instalaci, s průtoky až do 90 l/min a provozními tlaky až do 250 bar.
Ventil poskytuje plně elektroproporcionální řízení včetně funkce plováku, bez ohledu na zatížení stroje a provozní podmínky.
Sada obsahuje ventil, proporcionální řízení joystickem a elektrické kabeláže.
Funkce Load Sensing zajišťuje ještě přesnější proporcionální řízení a zlepšenou účinnost systému.
Použití

Pro správný provoz systému pečlivě dodržujte všechny níže uvedené kroky:
- Proveďte připojení dle výše uvedeného schématu.
- Zajistěte správné připojení hydraulického akumulátoru.
- Zkontrolujte, že vstupní tlak nepřesahuje 250 bar.
- Zajistěte, že jmenovitý vstupní průtok je 90 l/min.
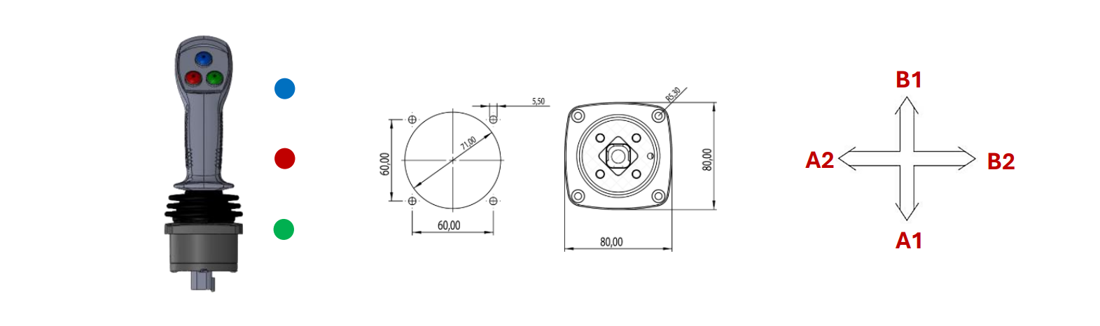
- Zkontrolujte správné připojení na portech B1, A1, A2 a B2.
- Zajistěte správné připojení odváděcí nebo netěsnostní linie.
- Zkontrolujte, zda jsou linie T (nádrž) a P (tlak) správně připojeny a fungují.



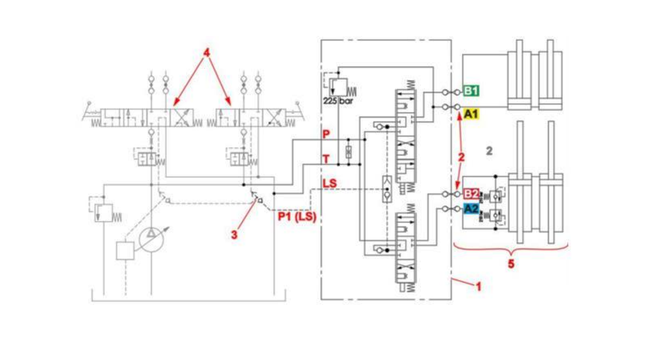
Diagram ukazuje hydraulický systém LOAD SENSING:
1. Proporcionální ventil (LVM92 EHP) na pravé straně rozhraní příslušenství.
2. Rozhraní pro čelní nakladač traktoru.
3. Dodatečný přepínací ventil pro Load Sensing.
4. Hydraulické ventily již instalované na traktoru lze použít pro další spotřebiče.
5. Čelní nakladač traktoru.
Tři hydraulické vedení (P, T, P1) propojují proporcionální ventil LOAD SENSING s hydraulickým systémem traktoru:
- P – tlaková linie
- T – vratná linie (nádrž)
- P1 – Load Sensing (LS)

Připojte ventil dle výše uvedeného schématu:
- Zkontrolujte, zda je systémové napětí 12 V.
- Ověřte správné připojení napájecího kabelu.
- Systém musí obsahovat řetězový kabel a 120 ohmový rezistor.
- Po připojení joysticku se ujistěte, že diody ACAS svítí zeleně.
- Zkontrolujte, že všechny kabely jsou pevně a správně připojeny.

- MODRÉ tlačítko: směrový ventil 6/2 (tlačítko s okamžitým účinkem)
- ČERVENÉ tlačítko: funkce plováku (západkové tlačítko)
- ZELENÉ tlačítko: pomalý/rychlý režim (západkové tlačítko)
Funkce plováku: Pohybujte joystickem směrem B1 (spouštění). Dokud je joystick v poloze B1, stiskněte tlačítko FLOAT pro aktivaci režimu plováku. Upozornění: Tento úkon neprovádějte, když je čelní nakladač traktoru zvednut příliš vysoko.









