Nowe produkty
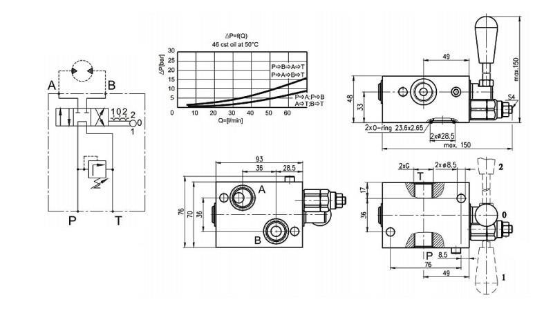
ZAWÓR RĘCZNY DO SILNIKA HYDRAULICZNEGO MP-MR-MH Z ZAMKNIĘTYM CENTRUM - 50LIT
Opis:
Zawór ręczny jest montowany bezpośrednio na silniku hydraulicznym i służy do jego bezpośredniej kontroli.
Lewe zaworu umożliwia aktywację i dezaktywację, a także zmianę kierunku obrotów silnika hydraulicznego.
Zawór 'OTWARTY CENTRUM'- W pozycji neutralnej silnik hydrauliczny nie jest obracany. W przeciwnym razie nie jest napędzany hydraulicznie, ale wał silnika hydraulicznego może obracać się z własną inercją lub inercją ładunku.
Najczęściej stosowany w aplikacjach, gdzie chcemy, aby napęd zatrzymał się z inercją ładunku lub mieć możliwość samodzielnego obrotu napędu - silnika hydraulicznego.
Zawór 'ZAMKNIĘTE CENTRUM'- W pozycji neutralnej silnik hydrauliczny jest obracany, co oznacza, że inercja ładunku nie może go obrócić.
Najczęściej stosowany w aplikacjach, gdzie chcemy, aby napęd zatrzymał się natychmiast i pozostał nieruchomy po wyłączeniu napędu - silnika hydraulicznego.







