Nieuwe artikelen
HYDRAULISCH KRACHTPAKKET -RHA- 25lit VOOR BARN TRANSPORTER
Code:
20576
OEM:
9990000048670
BTW-tarief
22 %
Prijs exclusief BTW:
676,23 EUR
Prijs inclusief BTW:
825,00 EUR
Ref:
11
Beschrijving:
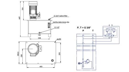
Het hydraulische krachtpakket voor de barn transporter is een zelfstandige eenheid die hydraulische druk genereert met behulp van een elektrische motor voor het aandrijven van de barn transporter.
Motorvermogen:
4kW
pompstroom:
8 cc
aggregaatdebiet:
12 l/min
Tankvolume:
25 liter
max. werkdruk:
120 bar
klep:
RHA - korte klep
Retour of ruil:
niet mogelijk
Omwentelingen:
1500 tpm
Spanning:
380V






