Jauni produkti
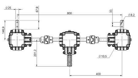
REDUKTORU KOMPLEKTS 1:1.44 (27HP-20KW) IZPLATĪTĀJAM L:800 ČUGUNA AR DROŠĪBAS SISTĒMU
Produkta kods:
13925
OEM:
9990000153312
Nodokļu likme
22 %
Cena bez PVN:
367,21 EUR
Cena ar PVN:
448,00 EUR
Ref:
6
Apraksts:
Čuguna reduktoru komplekts izplatītājam ar garumu 800 mm ar drošības elementu.
Piegādātājs:
Polija
Atgriešana vai apmaiņa:
14 dienas
produkta svars:
17 kg
Ievades apgriezieni:
540 apgr./min
izejas RPM:
777 apgr./min
Garantija:
6 mēneši
Slodze:
27 HP (20 kW)
izejošā vārpsta:
2x vārpsta 25mm
pārnesuma attiecība:
1 : 1.44
Materiāls:
čuguns
eļļa:
0.75 l smērviela pārneses (EP90)
izejošais griezes moments:
240 Nm








