Nové položky
HYDROMOTOR MP 250
| Technické údaje | |
| Dodávateľ: | Bulharsko |
| Vrátenie alebo výmena: | 14 dni |
| Garancija: | 6 mesiacov |
| Hmotnosť: | 6,8 kg |
| Teplotný rozsah: | od -40 °C do 140 °C |
| cm³/otáčku: | 247,5 |
| Otáčky: | stále otáčky 242 rpm, prerušovaný 303 rpm |
| Výkon: | stály výkon 7,5 kW, prerušovaný 12 kW |
| Krútiaci moment: | stály krútiaci moment 38 daNm, prerušovaný 58,3 daNm, max. 68,5 daNm |
| Vstupný tlak: | stály tlak 175 bar, prerušovaný 200 bar, max. 225 bar |
| Tlaková strata: | stály tlak 110 bar, prerušovaný 175 bar, max. 225 bar |
| Prietok oleja: | stály prietok 60 L/min, prerušovaný 75 L/min |
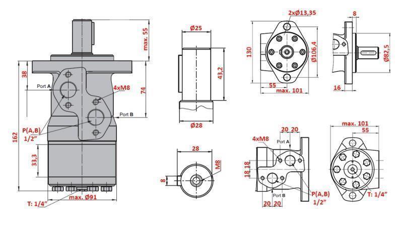
| Priemer hriadeľa: | 25 mm |
| Závit pripojenia: | 1/2" |
Popis
Hydraulické motory MP sú spoľahlivé a kompaktné, určené na použitie v rôznych hydraulických systémoch, kde sa vyžaduje vysoká účinnosť a dlhá životnosť. Vyznačujú sa robustnou konštrukciou, presnou výrobou a vynikajúcou odolnosťou voči vysokému zaťaženiu.
Sú vhodné na použitie v poľnohospodárskych, lesníckych a priemyselných strojoch, kde zabezpečujú spoľahlivý prenos výkonu a rovnomerný krútiaci moment pri rôznych otáčkach.
Hlavné výhody hydraulických motorov MP:
- vysoká účinnosť a presná prevádzka
- robustná konštrukcia a dlhá životnosť
- vhodné pre náročné pracovné podmienky
- široká ponuka veľkostí
Použitie: hydraulické navijaky, štiepačky dreva, dopravníkové pásy a ako pohon pre poľnohospodárske a lesnícke príslušenstvo.

| L | L1 | |
| (mm) | ||
| MP 40 | 136,5 | 7,4 |
| MP 50 | 135,5 | 6,67 |
| MP 80 | 139,5 | 10,67 |
| MP 100 | 142 | 13,33 |
| MP 125 | 145,5 | 16,67 |
| MP 160 | 150 | 21,33 |
| MP 200 | 155,5 | 26,67 |
| MP 250 | 162 | 33,33 |
| MP 315 | 171,5 | 42,67 |
| MP 400 | 182 | 53,33 |












