Novi proizvodi
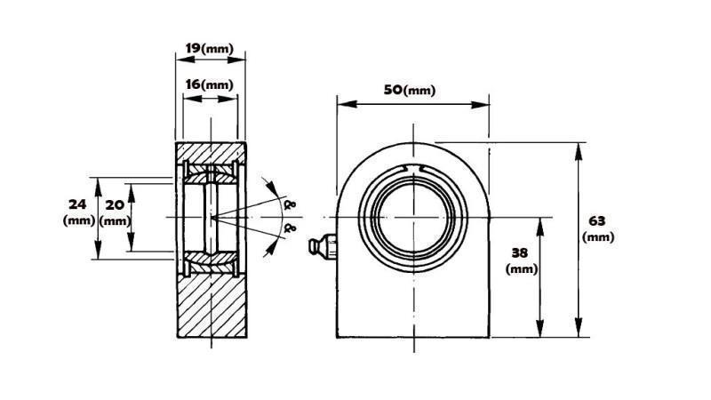
PRIVARIVI OKASTI LEŽAJ - ZGLOB RAVAN FI 20/50
Šifra:
11522
OEM:
9990000020591
Stopa poreza
22 %
Cijena bez PDV:
8,93 EUR
Cijena sa PDV:
10,90 EUR
Ref:
39
Okasti GE sferični ležaji
– okasti privarivi priključki su namijenjei za zavarivanje na hidraulične cilindre, štapove, nosače i druge slične djelove, kod kojih je potrebno kretanje. Kod samog izvršenja su predviđeni za veče opterečenje ili nosivost. Zbog samog izvršenja ne traže posebnog održavanja i tako je njihova životna doba dosta duga.
Dobavljač:
Italija
Maksimalno dinamično opterečenje:
3 tone
Standard:
DIN 648, Serie E, tip C
Vračanje ili mjenjanje:
14 dana
Garancija:
6 mjeseci







