Novi proizvodi
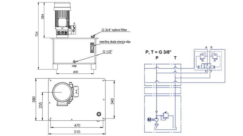
HIDRAULIČNI AGREGAT ZA STAJSKO ODĐUBRIVANJE -RHA- 40lit
Šifra:
20575
OEM:
9990000100576
Stopa poreza
22 %
Cijena bez PDV:
713,11 EUR
Cijena sa PDV:
870,00 EUR
Ref:
10
Opis:
Hidraulična jedinica za četku je samostalna jedinica koja generira hidraulični tlak koristeći električni motor, za pokretanje transporter za staju.
Snaga motora:
4kW
Protok pumpe:
8 cc
Protok agregata:
12 lit/min
Volumen rezervoara:
40 litara
Max. radni pritisak:
120 bar
Ventil:
RHA - kratki ventil
Vračanje ili mjenjanje:
nije moguče
Obrtaji:
1500 okretaja u minuti
Garancija:
6 mjeseci
Napon:
380V






