Nové produkty
PRIORITNÍ VENTIL 3/8 S MĚŘÍTKEM A BEZPEČNOSTNÍM VENTILEM 0-30LIT, 0-200BAR
Kód produktu:
13097
OEM:
9990000087495
Sazba daně
22 %
Cena bez DPH:
2.496,52 CZK
Cena s DPH:
3.045,75 CZK
Ref:
2
Popis:
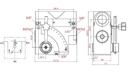
Prioritní ventil s měřítkem a bezpečnostním ventilem se používá pro regulaci průtoku s kompenzací tlaku, kde se průtok mění podle polohy páky. Ventil je namontován na plochém povrchu.
CF připojení (Ovládaný průtok) - Průtok pocházející z CF připojení je kompenzován tlakem a je úměrný poloze páky. Průtok z CF lze nastavit podle potřeby.
EX připojení (Nadbytečný průtok) - Průtok pocházející z EX připojení je kompenzován. Pokud je páka nastavena na 0, celý průtok vyjde přes EX připojení. EX připojení musí být vedeno do nádrže.
Dodavatel:
Španělsko
Vrátit nebo vyměnit:
14 dní
Hmotnost produktu:
3.80 kg
Záruka:
6 měsíců
max. nastavitelné tlak:
0-200 bar
max. nastavitelné průtok:
0 - 30 l/min
Max. průtok:
30 l/min
max. tlak:
200 bar









