Neue Artikel
PMRV-75 ÜBERSETZUNGSGETRIEBE FÜR ELEKTROMOTOR MS80 (0,55-0,75kW) VERHÄLTNIS 40:1
Zusätschliche Beschreibung:
|
Elektromotor |
Getriebe |
Ausgangsdrehmoment M2 [Nm] |
Sicherheitsfaktor |
|---|---|---|---|
|
0,55kW (MS80) |
RV-75 |
107 |
2,0 |
| 0,75kW (MS80) | 143 | 1,5 |
Beschreibung:
Die Übersetzungsgetriebe benötigt man in der Kombination mit Elektromotoren.
Das Getriebe reduziert die Elektromotorumdrehungen an den Wert das wir brauchen. Die Übersetzungsgetriebe haben unterschiedliche Verhältnisse: 7,5:1 - 10:1 - 20:1 - 40:1.
Bei der Montage des Getriebes müssen sie immer für folgendes sorgen:
- Die Daten an dem Namensschild müssen zu bestelltem Artikel passend sein
- Das Gehäuse und die Wellen müssen rein und unbeschädigt sein
- Die Fläche, an die man das Getriebe befestigt muss flach und stark genug sein
- Das Getriebe und die Welle müssen sich gut zusammen anliegen
- Wenn die Möglichkeit von Vibrationen und klemmen besteht, muss man einen Drehmoment Beschränkung einbauen
- Rotierende Teile müssen mit Plastikdeckel abgedeckt sein
- Wenn das Produkt draußen verwendet wird, muss man ihn geeignet schützen
- Betriebsbedingungen verursachen keine Korrosion (außer, wenn das Getriebe und Motor vorher nicht passend vorbereitet sind)
- Zahnräder, Wellenzahnräder, eingangs/ausgangs Welle müssen richtig befestigt sein, damit keine radialen oder axialen Belastungen über die erlaubte Grenze vorkommen.
- Alle Kupplungen sind mit Antikorrosionsmittel beschmiert, damit man die Oxydation verhindert.
- Alle Schrauben müssen fest angezogen sein.
Alle Berechnungen basieren an 1400 Umd. Motoren. In dem sie ein Motor mit anderen Umdrehungen benutzen, teilen sie die Eingangsumdrehungen mit Getriebe Verhältnis und danach bekommen sie die Ausgangsumdrehungen.
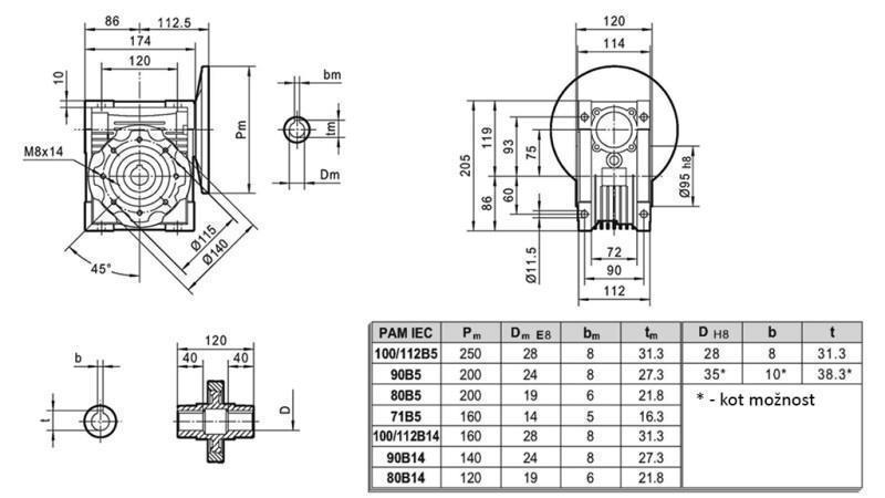
Mehr technischen Daten finden sie im "DIMENSIONEN - DATENBLATT".







